PRODUCTS

Classification Introduction

Horizontal/vertical super indexing spacers
Features:
·Quality of circular dividing tables made of high quality casting iron
·Reliable and precisw
·Presion ground steel spindle
·Direct dividing via locking disk
·Grade division via 360° scale with crank and vernier
·24 position (15° division)
·Stability even under heavy load
·7 locking disks for division of 2/3/4/6/8/12/24
MESSAGE

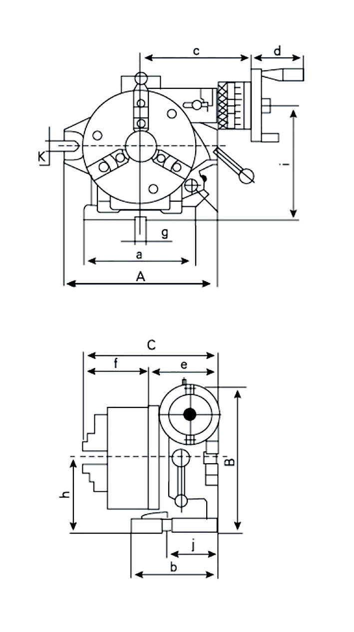
Headstock assembly:


Technical dataUnitCS-6CS-8
Amm250320
Bmm238294
Cmm207235.5
amm182230
bmm140160
cmm186213
dmm9393
emm112126.5
fmm6575
gmm1616
hmm122155
imm191234.67
jmm8095
kmm1620
Weightkg4874

MESSAGE

Please contact us now, your inquiry will be answered soon!

Submit