PRODUCTS

Classification Introduction

Horizontal/vertical basic indexing spacers
Features:
·Quality of circular dividing tables made of high quality casting iron
·Reliable and precisw
·Presion ground steel spindle
·Working table is scaled by 360°
·Stability even under heavy load
MESSAGE

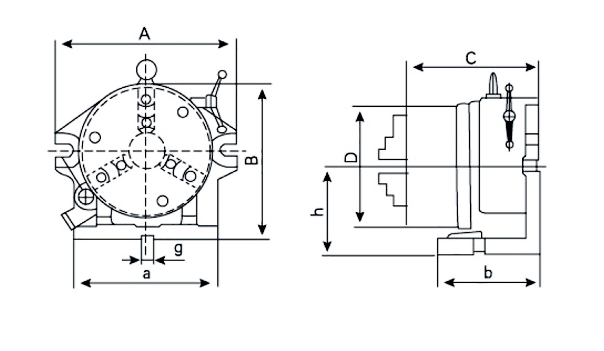
Technical dataUnitCC-6CC-8
Amm255320
Bmm255272
Cmm152174
Dmm160200
amm190230
bmm115154
hmm130154
gmm1616
Weightkg3252

MESSAGE

Please contact us now, your inquiry will be answered soon!

Submit