PRODUCTS

Classification Introduction

Horizontal/Vertical rotary table-HV
Features:
·Quality of circular dividing tabled
·Reliable and precise
·Worm is hardened and ground
·Working table is scaled by 360°
·Stability even under heavy load
MESSAGE

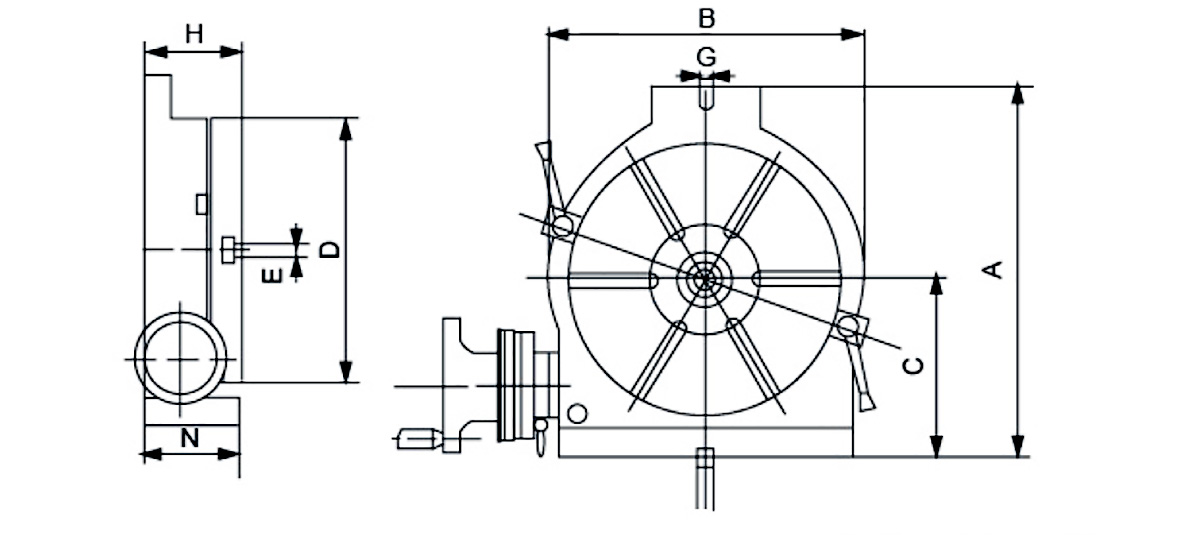
Technical dataUnitHV-3''HV-4''HV-5''
Table diametermmɸ76.2ɸ110ɸ127
Gear transmission ratio
 36:1 72:1 72:1
Center sleeve
MT2MT2MT2
Number of grooves
433
Rotating angle/revolution of handwheel
10°
Load capacity(Horizontal)
323538
Load capacity(Vertical)
161820
Amm98145155
Bmm78114127
Cmm598590
Dmmɸ76.2ɸ110ɸ127
Emm81111
Gmm101212
Hmm838585
Nmm716868
Weightkg8911

MESSAGE

Please contact us now, your inquiry will be answered soon!

Submit