PRODUCTS

Classification Introduction

Horizontal/Vertical rotary table-HV
Features:
·Quality of circular dividing tabled ·Reliable and precise
·Worm is hardened and ground
·Working table is scaled by 360°
·Stability even under heavy load
MESSAGE

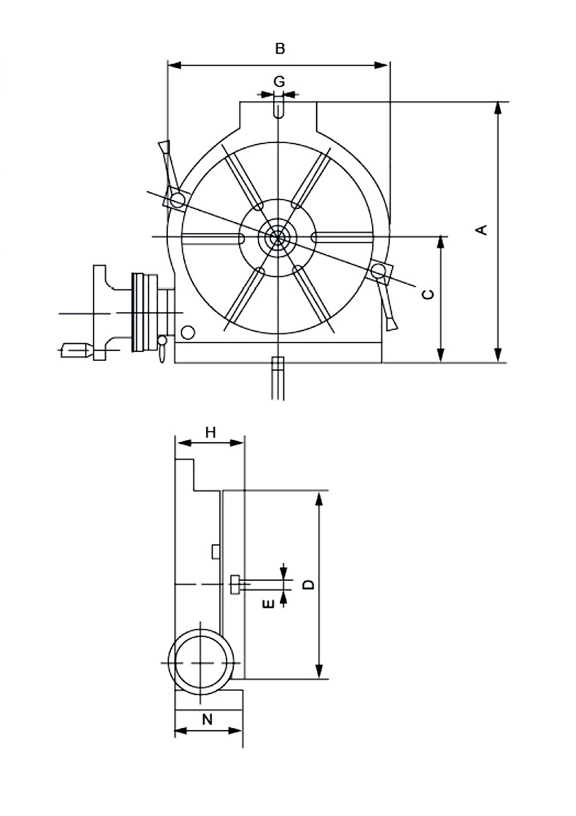
Technical dataUnitHV6''HV-8''HV-10''HV-12''HV-14''HV-16''
Table diametermmɸ150ɸ200ɸ250ɸ300ɸ350ɸ400
Gear transmission ratio
 90:1 90:1 90:1 90:1 90:1 90:1
Center sleeve
MT 2MT 3MT 3MT 4MT 4MT 4
Number of grooves
446666
Rotating angle/revolution   of handwheel
Load capacity(Horizontal)kg408090120130140
Load capacity(Vertical)kg204050607070
Technical   dataUnitHV6''HV-8''HV-10''HV-12''HV-14''HV-16''
Amm200265325388450525
Bmm160220280330390450
Cmm100135165195230260
Dmmɸ150ɸ200ɸ250ɸ300ɸ350ɸ400
Emm111414161616
Gmm1717135181818
Hmm83105115135138150
Nmm7898113133128145
Weightkg142843718393
Optional  accessoried:
1.Dividing plates A/B/C (DP-1, DP-2)
2.Back plate
3.2-jaw chuck
4.Tailstock (TS-1, TS-2, TS-3)

MESSAGE

Please contact us now, your inquiry will be answered soon!

Submit