PRODUCTS

Classification Introduction

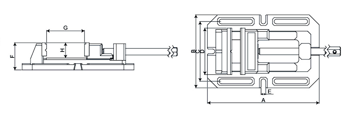
Machine Vices-TQ
Features:
·Drill vices of industrial quality
·Hardened jaws
·Ground slideways
·Replaceable prism jaws
·High quality of casting iron
MESSAGE

Technical dataUnitTQ 100TQ 140TQ 200
Amm350455578
Bmm170220280
Cmm135189280
Dmm100140200
Emm121416
Fmm7290114
Gmm110150210
Hmm405064
Weightkg8.51835

MESSAGE

Please contact us now, your inquiry will be answered soon!

Submit