PRODUCTS

Classification Introduction

Semi-universal dividing head
Features:
·Universal Dividing Head can divide in any angle
·Hardened and ground spindle is rigidly held in a taper roller bearing
·Gear transmission ratio 40:1, worm is hardened and ground
·The swivel head can be locked of any angle from 10° below horizontal to 90° vertical-precision
·All models have threaded spindle nose and 24 hole dividing plate with easy conversion
·Easy indexing of all numbers from 2 to 50 and many numbers from 52 of 380. spiral cutting
·Accurate precision, little backlash, fine appearance and strong structure
MESSAGE

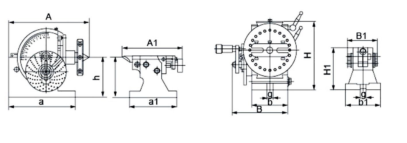
Headstock   assembly:


Technical dataUnitBS-0BS-1
Amm193242
Bmm140168
Hmm173220
hmm100128
amm166206
bmm90113
gmm1616
Spindle TapermmMT2MT3
Spindle holemm1820
Weightkg2436
Tailstock assembly:

Technical dataUnitBS-0BS-1
A1mm175183
B1mm8787
H1mm107137
h1mm100128
a1mm130158
b1mm92110
g1mm1616
Spindle Tapermm

Spindle holemm

Weightkg

MESSAGE

Please contact us now, your inquiry will be answered soon!

Submit