PRODUCTS

Classification Introduction

Tilting rotary table-VUT
Features:
·Quality of tilting rotary tables made of high quality casting iron
·Reliable and precise
·Table division via 360° scale with crank and vernier
·The table can be tilted any position from 0°-90° and locked
MESSAGE

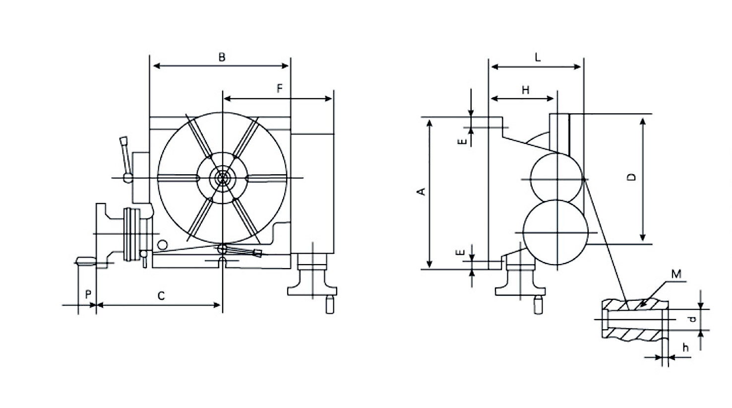
Technical dataUnitVUT-160VUT-250VUT-320VUT-400
Table diametermmɸ 160ɸ 250ɸ 320ɸ 400
Hole tapermmMT2MT3MT4MT4
Slot widthmm10121414
Gear transmission ratiomm 90:1 90:1 90:1 90:1
Tilting angle
0°-90°0°-90°0°-90°0°-90°
Weightkg3680135280
Technical dataUnitVUT-160VUT-250VUT-320VUT-400
Amm255310380500
Bmm172252322400
Cmm168235252306
Dmmɸ 160ɸ 250ɸ 320ɸ 400
Emm11141616
Fmm138199241295
Hmm100140175217
Lmm160205255320
MmmMT2MT3MT4MT4
Pmm40404050
dmmɸ 25ɸ 30ɸ 30ɸ 40
hmm66610


MESSAGE

Please contact us now, your inquiry will be answered soon!

Submit